ОСТ 1 11023-73 Скобы

ОСТ 1 11023-73 СКОБЫ

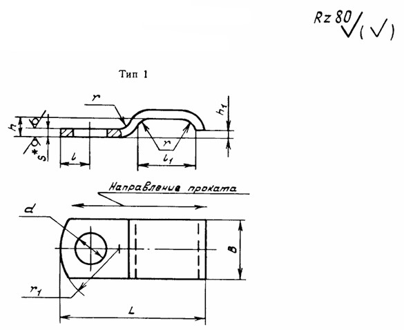
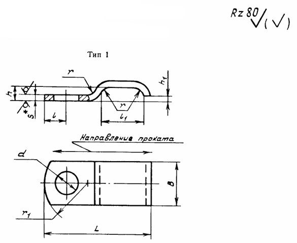
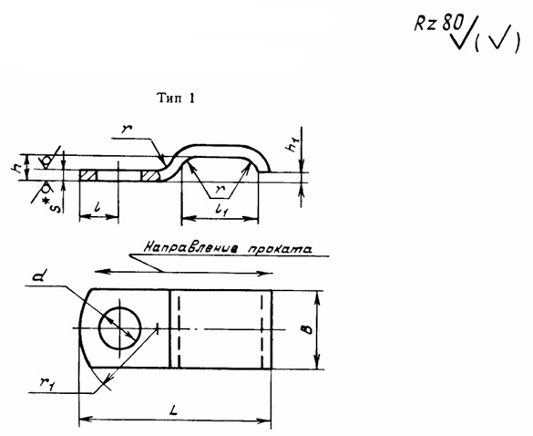
     Настоящий стандарт распространяется на скобы из алюминиевого сплава, работающие при температуре до плюс 150гр, для крепления электропроводов и жгутов в летательных аппаратах. Взамен нормалей 1632А, 1633А, 1634А, 1635А, 1638А, 1639А.

КОНСТРУКЦИЯ И ТЕХНИЧЕСКИЕ ОСОБЕННОСТИ

     Конструкция наконечника состоит из металлического загнутого прутка с отверстиями. Выделяют три типа скоб.

     Материал изготовления: алюминиевый сплав Д16АТ.

     Материал покрытия: Ан.Окс.хр.

ОСТ 1 11023-73.pdf

Пример наименования и обозначения скобы типа 1 типоразмера 2:

Скоба 1-2-ОСТ 1 11023-73

Скоба
Наименование метиза
1
Тип
2
Типоразмер
ОСТ 1 11023-73
Нормативно-технический документ

ПРИМЕНЕНИЕ

     Данные скобы используются во многих отраслях промышленности.

АНАЛОГИ

Взамен нормалей 1632А, 1633А, 1634А, 1635А, 1638А, 1639А

ОСТ/ГОСТНормальНаименованиеТипоразмерНа складе
ОСТ 1 11023-731632А, 1633А, 1634А, 1635А, 1638А, 1639АСкоба1х1В наличии
ОСТ 1 11023-731632А, 1633А, 1634А, 1635А, 1638А, 1639АСкоба1х2В наличии
ОСТ 1 11023-731632А, 1633А, 1634А, 1635А, 1638А, 1639АСкоба1х3В наличии
ОСТ 1 11023-731632А, 1633А, 1634А, 1635А, 1638А, 1639АСкоба1х4В наличии
ОСТ 1 11023-731632А, 1633А, 1634А, 1635А, 1638А, 1639АСкоба1х5В наличии
ОСТ 1 11023-731632А, 1633А, 1634А, 1635А, 1638А, 1639АСкоба1х6В наличии
ОСТ 1 11023-731632А, 1633А, 1634А, 1635А, 1638А, 1639АСкоба1х7В наличии
ОСТ 1 11023-731632А, 1633А, 1634А, 1635А, 1638А, 1639АСкоба1х8В наличии
ОСТ 1 11023-731632А, 1633А, 1634А, 1635А, 1638А, 1639АСкоба1х9В наличии
ОСТ 1 11023-731632А, 1633А, 1634А, 1635А, 1638А, 1639АСкоба1х10В наличии
ОСТ 1 11023-731632А, 1633А, 1634А, 1635А, 1638А, 1639АСкоба1х11В наличии
ОСТ 1 11023-731632А, 1633А, 1634А, 1635А, 1638А, 1639АСкоба1х12В наличии
ОСТ 1 11023-731632А, 1633А, 1634А, 1635А, 1638А, 1639АСкоба1х13В наличии
ОСТ 1 11023-731632А, 1633А, 1634А, 1635А, 1638А, 1639АСкоба2х1В наличии
ОСТ 1 11023-731632А, 1633А, 1634А, 1635А, 1638А, 1639АСкоба2х2В наличии
ОСТ 1 11023-731632А, 1633А, 1634А, 1635А, 1638А, 1639АСкоба2х3В наличии
ОСТ 1 11023-731632А, 1633А, 1634А, 1635А, 1638А, 1639АСкоба2х4В наличии
ОСТ 1 11023-731632А, 1633А, 1634А, 1635А, 1638А, 1639АСкоба2х5В наличии
ОСТ 1 11023-731632А, 1633А, 1634А, 1635А, 1638А, 1639АСкоба2х6В наличии
ОСТ 1 11023-731632А, 1633А, 1634А, 1635А, 1638А, 1639АСкоба2х7В наличии
ОСТ 1 11023-731632А, 1633А, 1634А, 1635А, 1638А, 1639АСкоба2х8В наличии
ОСТ 1 11023-731632А, 1633А, 1634А, 1635А, 1638А, 1639АСкоба2х9В наличии
ОСТ 1 11023-731632А, 1633А, 1634А, 1635А, 1638А, 1639АСкоба2х10В наличии
ОСТ 1 11023-731632А, 1633А, 1634А, 1635А, 1638А, 1639АСкоба2х11В наличии
ОСТ 1 11023-731632А, 1633А, 1634А, 1635А, 1638А, 1639АСкоба2х12В наличии
ОСТ 1 11023-731632А, 1633А, 1634А, 1635А, 1638А, 1639АСкоба2х13В наличии
ОСТ 1 11023-731632А, 1633А, 1634А, 1635А, 1638А, 1639АСкоба2х14В наличии
ОСТ 1 11023-731632А, 1633А, 1634А, 1635А, 1638А, 1639АСкоба3х1В наличии
ОСТ 1 11023-731632А, 1633А, 1634А, 1635А, 1638А, 1639АСкоба3х2В наличии

Для изготовителей и поставщиков: Добавить мои товары в базу

Для покупателей: Подать заявку на покупку

НаименованиеТипоразмерМатериалКоличество, штВес, кг
Скоба ОСТ 1 11023-73 1632А, 1633А, 1634А, 1635А, 1638А, 1639А
О

ОСТ 1 30055-84 Накатка кольцевая стержней болт-заклепок из титанового сплава

ОСТ 1 31076-80 Маркировка крепежных изделий взамен НОРМАЛЬ 176АТ

ОСТ 1 31076-80: Маркировка крепежных изделий (взамен НОРМАЛЬ 176АТ)

ОСТ 1 38016-80 Футорки

ОСТ 1 38020-82 Втулки

ОСТ 1 39502-77 Стопорение болтов, винтов, шпилек, штифтов и гаек

ОСТ 1 39503-77 Длины болтов и винтов

ОСТ 1 39504-79 Головки шестигранные болтов и винтов

ОСТ 1 41471-79 Формообразование концов труб тяг управления из сплава Д16Т. Типовой технологический процесс

ОСТ 1 51730-79 Оснастка для формообразования концов труб тяг управления из сплава Д16Т

ОСТ 1 51731-79 Оснастка для формообразования концов труб тяг управления из сплава Д16Т

ОСТ 1.41001-79 Диаметры отверстий под нарезание резьбы метрической по нормали 754АТ

ОСТ 1.41002-79 Диаметры стержней под нарезание резьбы метрической по нормали 754АТ и ОСТ 1.00039-73

ОСТ 92-0762-72 Болты, винты из титановых сплавов

ОСТ 92-0912-69 Детали из высокопрочных углеродистых легированных и высоколегированных сталей. ОСТ 92-0912-69

ОСТ 92-1130-85 Детали стальные точные

ОСТ 92-1179-77 Детали и сборочные единицы из сталей марок 07Х16Н6 и 08Х17Н5М3

ОСТ 92-8653-75 по ОСТ 92-8674-75 Соединения трубопроводов по внутреннему конусу

ОСТ 92-8843-77 Крепежные детали повышенного качества

ОСТ-1-33102-80 Взамен нормали 102АТУ Гайки ОСТ-1-33102-80

Отраслевая нормаль 214АТ В замен нормали 214МТ55 метрическая резьбой со свободной посадкой

Отраслевая нормаль 714М55 pdf Кольца плоские ,стопорные технические условия

Отраслевая нормаль авиационной техники 101АТУ Взамен 201СТУ51

Отраслевая нормаль авиационной техники. Нормаль 722АТ.

Р

РЕЗЬБА МЕТРИЧЕСКАЯ

Резьба метрическая усиленная тугой посадкой сталь в алюминиевые и магниевые сплавы. Нормаль 254АТ взамен нормальный 154МТ46

Резьба метрическая. Основные размеры и допуски. Отраслевая нормаль 257АТ взамен 57АТ50 взамен 153МТ54.

РЕЗЬБА ТРАПЕЦЕИДАЛЬНАЯ

РЕЗЬБА ТРУБНАЯ ЦИЛИНДРИЧЕСКАЯ

РЕЗЬБА УПОРНАЯ

Резьба усиленная метрическая тугой посадкой сталь сталь система вала настоящая норма распространяется на резьбу усиленную метрическую тугой посадкой для сопрягаемых материалов сталь в сталь. Нормаль 122МТ53 взамен нормали 122МТ51

Резьба усиленная метрическая тугой посадкой сталь сталь система вала настоящая норма распространяется на резьбу усиленную метрическую тугой посадкой для сопрягаемых материалов сталь в сталь. Нормаль 122МТ53 взамен нормали 122МТ51

Резьбовые соединения. Резьба метрическая с натягом по посадкам 2Н5Д и 2Н5С Отраслевой стандарт ОСТ 1 04065–92

Оформите заказ или получите консультацию