ГОСТ 19531-74 Устройства уплотнительные ввертных соединений с резиновыми кольцами круглого сечения. Шайбы фторопластовые.

ГОСТ 19531-74 УСТРОЙСТВА УПЛОТНИТЕЛЬНЫЕ ВВЕРТНЫХ СОЕДИНЕНИЙ С РЕЗИНОВЫМИ КОЛЬЦАМИ КРУГЛОГО СЕЧЕНИЯ. ШАЙБЫ ФТОРОПЛАСТОВЫЕ.

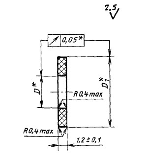
     Гайки ГОСТ 19531-74 - это крепеж, который представляет собой плоское кольцо из фторопласта.

КОНСТРУКЦИЯ И ТЕХНИЧЕСКИЕ ОСОБЕННОСТи

Конструкция гайки состоит из плоского кольца.

Материал изготовления: порошкообразный фторопласт-4 марок ПН или О по ГОСТ 10007-80. Допускается изготовление шайб из листа, прутка или трубы.

Материал покрытия: без покрытия.

ГОСТ 19531-74.pdf

Пример условного обозначения шайбы для резьбы М20х1,5:

Шайба фторопластовая 20 ГОСТ 19531-74

Шайба
Наименование метиза
20
Для резьбы М20х1,5
ГОСТ 19531-74
Нормативно-технический документ

ПРИМЕНЕНИЕ

     Шайбы применяются во многих отраслях промышленности, строительства и машиностроении.

АНАЛОГИ

ОСТ/ГОСТНормальНаименованиеТипоразмерНа складе
ГОСТ 19531-74Шайба фторопластоваяМ6В наличии
ГОСТ 19531-74Шайба фторопластоваяМ8В наличии
ГОСТ 19531-74Шайба фторопластоваяМ10В наличии
ГОСТ 19531-74Шайба фторопластоваяМ12х1,5В наличии
ГОСТ 19531-74Шайба фторопластоваяМ14х1,5В наличии
ГОСТ 19531-74Шайба фторопластоваяМ16х1,5В наличии
ГОСТ 19531-74Шайба фторопластоваяМ18х1,5В наличии
ГОСТ 19531-74Шайба фторопластоваяМ20х1,5В наличии
ГОСТ 19531-74Шайба фторопластоваяМ22х1,5В наличии
ГОСТ 19531-74Шайба фторопластоваяМ24х1,5В наличии
ГОСТ 19531-74Шайба фторопластоваяМ27х1,5В наличии
ГОСТ 19531-74Шайба фторопластоваяМ30х1,5В наличии
ГОСТ 19531-74Шайба фторопластоваяМ33х1,5В наличии
ГОСТ 19531-74Шайба фторопластоваяМ36х1,5В наличии
ГОСТ 19531-74Шайба фторопластоваяМ39х1,5В наличии
ГОСТ 19531-74Шайба фторопластоваяМ42х1,5В наличии
ГОСТ 19531-74Шайба фторопластоваяМ45х1,5В наличии
ГОСТ 19531-74Шайба фторопластоваяМ48х1,5В наличии

Для изготовителей и поставщиков: Добавить мои товары в базу

Для покупателей: Подать заявку на покупку

НаименованиеТипоразмерМатериалКоличество, штВес, кг
Шайба фторопластовая ГОСТ 19531-74
О

ОСТ 1 30055-84 Накатка кольцевая стержней болт-заклепок из титанового сплава

ОСТ 1 31076-80 Маркировка крепежных изделий взамен НОРМАЛЬ 176АТ

ОСТ 1 31076-80: Маркировка крепежных изделий (взамен НОРМАЛЬ 176АТ)

ОСТ 1 38016-80 Футорки

ОСТ 1 38020-82 Втулки

ОСТ 1 39502-77 Стопорение болтов, винтов, шпилек, штифтов и гаек

ОСТ 1 39503-77 Длины болтов и винтов

ОСТ 1 39504-79 Головки шестигранные болтов и винтов

ОСТ 1 41471-79 Формообразование концов труб тяг управления из сплава Д16Т. Типовой технологический процесс

ОСТ 1 51730-79 Оснастка для формообразования концов труб тяг управления из сплава Д16Т

ОСТ 1 51731-79 Оснастка для формообразования концов труб тяг управления из сплава Д16Т

ОСТ 1.41001-79 Диаметры отверстий под нарезание резьбы метрической по нормали 754АТ

ОСТ 1.41002-79 Диаметры стержней под нарезание резьбы метрической по нормали 754АТ и ОСТ 1.00039-73

ОСТ 92-0762-72 Болты, винты из титановых сплавов

ОСТ 92-0912-69 Детали из высокопрочных углеродистых легированных и высоколегированных сталей. ОСТ 92-0912-69

ОСТ 92-1130-85 Детали стальные точные

ОСТ 92-1179-77 Детали и сборочные единицы из сталей марок 07Х16Н6 и 08Х17Н5М3

ОСТ 92-8653-75 по ОСТ 92-8674-75 Соединения трубопроводов по внутреннему конусу

ОСТ 92-8843-77 Крепежные детали повышенного качества

ОСТ-1-33102-80 Взамен нормали 102АТУ Гайки ОСТ-1-33102-80

Отраслевая нормаль 214АТ В замен нормали 214МТ55 метрическая резьбой со свободной посадкой

Отраслевая нормаль 714М55 pdf Кольца плоские ,стопорные технические условия

Отраслевая нормаль авиационной техники 101АТУ Взамен 201СТУ51

Отраслевая нормаль авиационной техники. Нормаль 722АТ.

Р

РЕЗЬБА МЕТРИЧЕСКАЯ

Резьба метрическая усиленная тугой посадкой сталь в алюминиевые и магниевые сплавы. Нормаль 254АТ взамен нормальный 154МТ46

Резьба метрическая. Основные размеры и допуски. Отраслевая нормаль 257АТ взамен 57АТ50 взамен 153МТ54.

РЕЗЬБА ТРАПЕЦЕИДАЛЬНАЯ

РЕЗЬБА ТРУБНАЯ ЦИЛИНДРИЧЕСКАЯ

РЕЗЬБА УПОРНАЯ

Резьба усиленная метрическая тугой посадкой сталь сталь система вала настоящая норма распространяется на резьбу усиленную метрическую тугой посадкой для сопрягаемых материалов сталь в сталь. Нормаль 122МТ53 взамен нормали 122МТ51

Резьба усиленная метрическая тугой посадкой сталь сталь система вала настоящая норма распространяется на резьбу усиленную метрическую тугой посадкой для сопрягаемых материалов сталь в сталь. Нормаль 122МТ53 взамен нормали 122МТ51

Резьбовые соединения. Резьба метрическая с натягом по посадкам 2Н5Д и 2Н5С Отраслевой стандарт ОСТ 1 04065–92

Оформите заказ или получите консультацию