ОСТ 1 37024-80 Пальцы с кольцами

ОСТ 1 37024-80 пальцы с кольцами

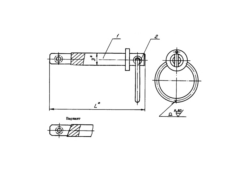
     Пальцы с кольцами по ОСТ 1 37024-80 – это специальный крепеж, применяемый для фиксации подвижных механизмов. Взамен нормали 5441А.

КОНСТРУКЦИЯ И ТЕХНИЧЕСКИЕ ОСОБЕННОСТИ

     Конструкция состоит из:

     - ОСТ 1 37025-80 Палец

     - ОСТ 1 12319-76 Кольцо

     Материал покрытия: Кд15.фос.окс.гфж.136-41.

ОСТ 1 37024-80.pdf

нормаль 5441А

Пример наименования и обозначения пальца с кольцом, диаметром D=6 мм и длиной L=48мм, с покрытием Кд15.фос.окс.гфж.136-41:

Палец с кольцом 6-48-Кд15.фос.окс.гфж.136-41-ОСТ 1 37024-80

Палец с кольцом
Наименование метиза
6
Диаметр
48
Длина
Кд15.фос.окс.гфж.136-41
Материал покрытия
ОСТ 1 37024-80
Нормативно-технический документ

ПРИМЕНЕНИЕ

     Данные пальцы с кольцами используются во многих отраслях промышленности.

АНАЛОГИ

Нормаль 5441А.

ОСТ/ГОСТНормальНаименованиеТипоразмерНа складе
ОСТ 1 37024-805441АПалец с кольцом6В наличии
ОСТ 1 37024-805441АПалец с кольцом8В наличии
ОСТ 1 37024-805441АПалец с кольцом10В наличии
ОСТ 1 37024-805441АПалец с кольцом12В наличии
ОСТ 1 37024-805441АПалец с кольцом14В наличии
ОСТ 1 37024-805441АПалец с кольцом16В наличии
ОСТ 1 37024-805441АПалец с кольцом18В наличии
ОСТ 1 37024-805441АПалец с кольцом20В наличии

Для изготовителей и поставщиков: Добавить мои товары в базу

Для покупателей: Подать заявку на покупку

НаименованиеТипоразмерМатериалКоличество, штВес, кг
Палец с кольцом ОСТ 1 37024-80 5441А
О

ОСТ 1 30055-84 Накатка кольцевая стержней болт-заклепок из титанового сплава

ОСТ 1 31076-80 Маркировка крепежных изделий взамен НОРМАЛЬ 176АТ

ОСТ 1 31076-80: Маркировка крепежных изделий (взамен НОРМАЛЬ 176АТ)

ОСТ 1 38016-80 Футорки

ОСТ 1 38020-82 Втулки

ОСТ 1 39502-77 Стопорение болтов, винтов, шпилек, штифтов и гаек

ОСТ 1 39503-77 Длины болтов и винтов

ОСТ 1 39504-79 Головки шестигранные болтов и винтов

ОСТ 1 41471-79 Формообразование концов труб тяг управления из сплава Д16Т. Типовой технологический процесс

ОСТ 1 51730-79 Оснастка для формообразования концов труб тяг управления из сплава Д16Т

ОСТ 1 51731-79 Оснастка для формообразования концов труб тяг управления из сплава Д16Т

ОСТ 1.41001-79 Диаметры отверстий под нарезание резьбы метрической по нормали 754АТ

ОСТ 1.41002-79 Диаметры стержней под нарезание резьбы метрической по нормали 754АТ и ОСТ 1.00039-73

ОСТ 92-0762-72 Болты, винты из титановых сплавов

ОСТ 92-0912-69 Детали из высокопрочных углеродистых легированных и высоколегированных сталей. ОСТ 92-0912-69

ОСТ 92-1130-85 Детали стальные точные

ОСТ 92-1179-77 Детали и сборочные единицы из сталей марок 07Х16Н6 и 08Х17Н5М3

ОСТ 92-8653-75 по ОСТ 92-8674-75 Соединения трубопроводов по внутреннему конусу

ОСТ 92-8843-77 Крепежные детали повышенного качества

ОСТ-1-33102-80 Взамен нормали 102АТУ Гайки ОСТ-1-33102-80

Отраслевая нормаль 214АТ В замен нормали 214МТ55 метрическая резьбой со свободной посадкой

Отраслевая нормаль 714М55 pdf Кольца плоские ,стопорные технические условия

Отраслевая нормаль авиационной техники 101АТУ Взамен 201СТУ51

Отраслевая нормаль авиационной техники. Нормаль 722АТ.

Р

РЕЗЬБА МЕТРИЧЕСКАЯ

Резьба метрическая усиленная тугой посадкой сталь в алюминиевые и магниевые сплавы. Нормаль 254АТ взамен нормальный 154МТ46

Резьба метрическая. Основные размеры и допуски. Отраслевая нормаль 257АТ взамен 57АТ50 взамен 153МТ54.

РЕЗЬБА ТРАПЕЦЕИДАЛЬНАЯ

РЕЗЬБА ТРУБНАЯ ЦИЛИНДРИЧЕСКАЯ

РЕЗЬБА УПОРНАЯ

Резьба усиленная метрическая тугой посадкой сталь сталь система вала настоящая норма распространяется на резьбу усиленную метрическую тугой посадкой для сопрягаемых материалов сталь в сталь. Нормаль 122МТ53 взамен нормали 122МТ51

Резьба усиленная метрическая тугой посадкой сталь сталь система вала настоящая норма распространяется на резьбу усиленную метрическую тугой посадкой для сопрягаемых материалов сталь в сталь. Нормаль 122МТ53 взамен нормали 122МТ51

Резьбовые соединения. Резьба метрическая с натягом по посадкам 2Н5Д и 2Н5С Отраслевой стандарт ОСТ 1 04065–92

Оформите заказ или получите консультацию