ОСТ 1 30083-90 Корпусы заклепок высокого сопротивления срезу с потайной головкой углом 120 градусов для композиционных материалов

ОСТ 1 30083-90 КОРПУСЫ ЗАКЛЕПОК ВЫСОКОГО СОПРОТИВЛЕНИЯ СРЕЗУ С ПОТАЙНОЙ ГОЛОВКОЙ УГЛОМ 120 ГРАДУСОВ ДЛЯ КОМПОЗИЦИОННЫХ МАТЕРИАЛОВ

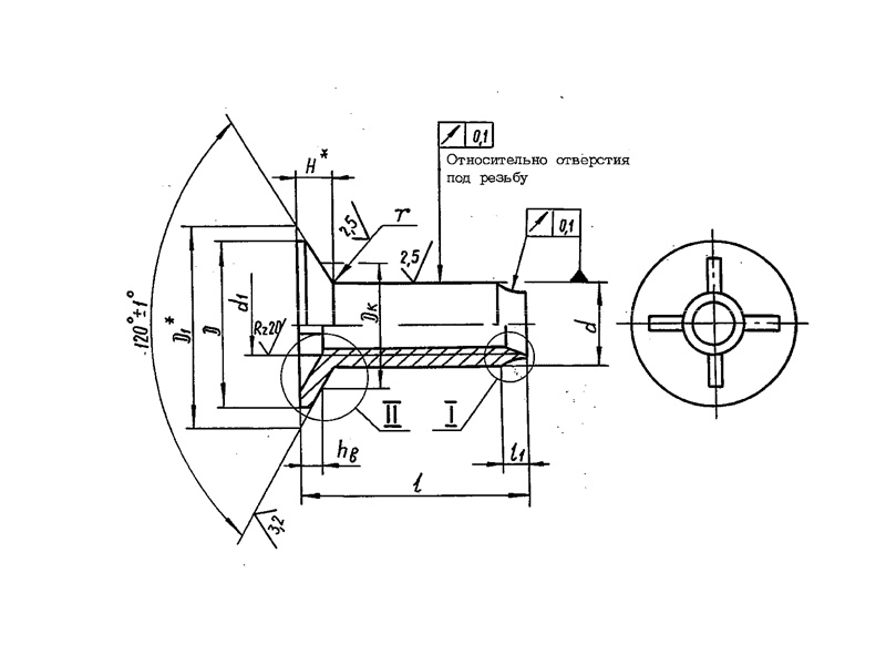
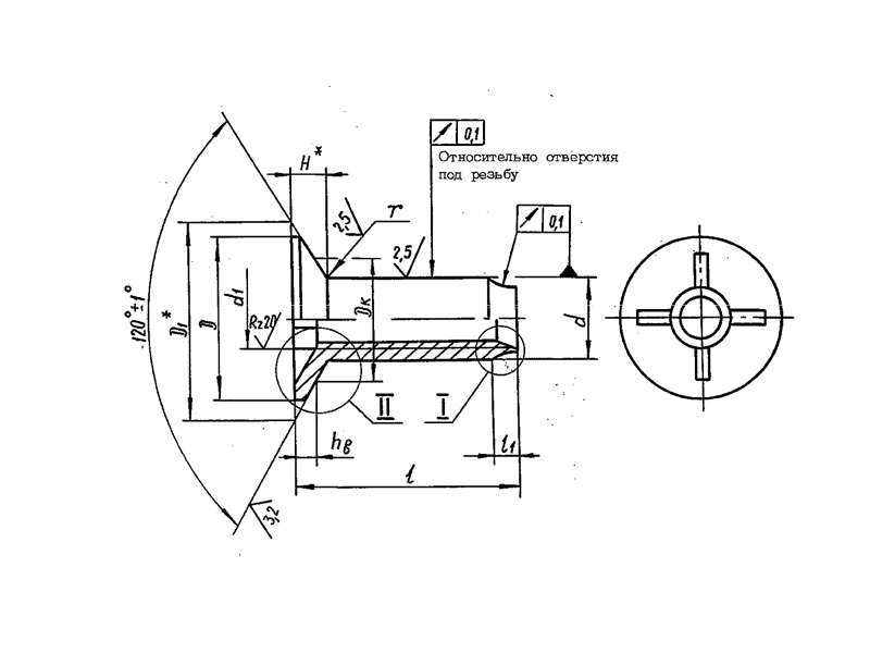
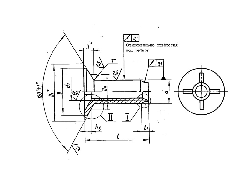
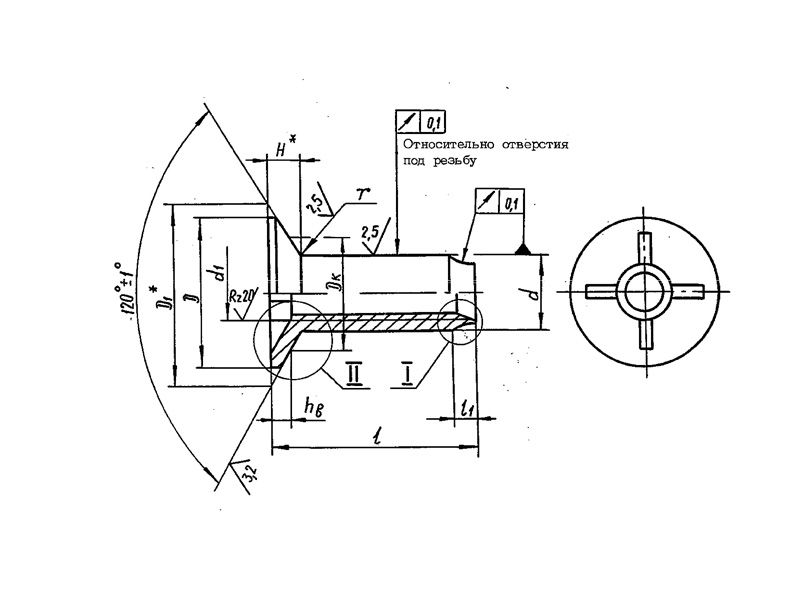
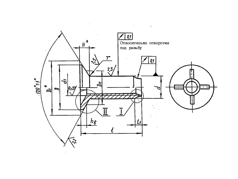
     Корпусы заклепок по ОСТ 1 30083-90 – это специальный крепеж, предназначенный для соединения изделий.

КОНСТРУКЦИЯ И ТЕХНИЧЕСКИЕ ОСОБЕННОСТИ

     Конструкция состоит из цилиндра.

     Материал изготовления: титановый сплав ВТ16.

     Материал покрытия: Ан.Окс 2-3.

ОСТ 1 30083-90.pdf

Пример наименования и обозначения корпуса заклепки высокого сопротивления срезу для композиционных материалов типоразмера 11:

Корпус 11-ОСТ 1 30083-90

Корпус
Наименование метиза
11
Типоразмер
ОСТ 1 30083-90
Нормативно-технический документ

ПРИМЕНЕНИЕ

     Данные корпуса заклепок применяются во многих отраслях промышленности.

АНАЛОГИ

ОСТ/ГОСТНормальНаименованиеТипоразмерНа складе
ОСТ 1 30083-90Корпус1В наличии
ОСТ 1 30083-90Корпус2В наличии
ОСТ 1 30083-90Корпус3В наличии
ОСТ 1 30083-90Корпус4В наличии
ОСТ 1 30083-90Корпус5В наличии
ОСТ 1 30083-90Корпус6В наличии
ОСТ 1 30083-90Корпус11В наличии
ОСТ 1 30083-90Корпус12В наличии
ОСТ 1 30083-90Корпус13В наличии
ОСТ 1 30083-90Корпус14В наличии
ОСТ 1 30083-90Корпус15В наличии
ОСТ 1 30083-90Корпус16В наличии
ОСТ 1 30083-90Корпус23В наличии
ОСТ 1 30083-90Корпус24В наличии
ОСТ 1 30083-90Корпус25В наличии
ОСТ 1 30083-90Корпус26В наличии
ОСТ 1 30083-90Корпус27В наличии
ОСТ 1 30083-90Корпус28В наличии
ОСТ 1 30083-90Корпус29В наличии
ОСТ 1 30083-90Корпус30В наличии

Для изготовителей и поставщиков: Добавить мои товары в базу

Для покупателей: Подать заявку на покупку

НаименованиеТипоразмерМатериалКоличество, штВес, кг
Корпус ОСТ 1 30083-90
О

ОСТ 1 30055-84 Накатка кольцевая стержней болт-заклепок из титанового сплава

ОСТ 1 31076-80 Маркировка крепежных изделий взамен НОРМАЛЬ 176АТ

ОСТ 1 31076-80: Маркировка крепежных изделий (взамен НОРМАЛЬ 176АТ)

ОСТ 1 38016-80 Футорки

ОСТ 1 38020-82 Втулки

ОСТ 1 39502-77 Стопорение болтов, винтов, шпилек, штифтов и гаек

ОСТ 1 39503-77 Длины болтов и винтов

ОСТ 1 39504-79 Головки шестигранные болтов и винтов

ОСТ 1 41471-79 Формообразование концов труб тяг управления из сплава Д16Т. Типовой технологический процесс

ОСТ 1 51730-79 Оснастка для формообразования концов труб тяг управления из сплава Д16Т

ОСТ 1 51731-79 Оснастка для формообразования концов труб тяг управления из сплава Д16Т

ОСТ 1.41001-79 Диаметры отверстий под нарезание резьбы метрической по нормали 754АТ

ОСТ 1.41002-79 Диаметры стержней под нарезание резьбы метрической по нормали 754АТ и ОСТ 1.00039-73

ОСТ 92-0762-72 Болты, винты из титановых сплавов

ОСТ 92-0912-69 Детали из высокопрочных углеродистых легированных и высоколегированных сталей. ОСТ 92-0912-69

ОСТ 92-1130-85 Детали стальные точные

ОСТ 92-1179-77 Детали и сборочные единицы из сталей марок 07Х16Н6 и 08Х17Н5М3

ОСТ 92-8653-75 по ОСТ 92-8674-75 Соединения трубопроводов по внутреннему конусу

ОСТ 92-8843-77 Крепежные детали повышенного качества

ОСТ-1-33102-80 Взамен нормали 102АТУ Гайки ОСТ-1-33102-80

Отраслевая нормаль 214АТ В замен нормали 214МТ55 метрическая резьбой со свободной посадкой

Отраслевая нормаль 714М55 pdf Кольца плоские ,стопорные технические условия

Отраслевая нормаль авиационной техники 101АТУ Взамен 201СТУ51

Отраслевая нормаль авиационной техники. Нормаль 722АТ.

Р

РЕЗЬБА МЕТРИЧЕСКАЯ

Резьба метрическая усиленная тугой посадкой сталь в алюминиевые и магниевые сплавы. Нормаль 254АТ взамен нормальный 154МТ46

Резьба метрическая. Основные размеры и допуски. Отраслевая нормаль 257АТ взамен 57АТ50 взамен 153МТ54.

РЕЗЬБА ТРАПЕЦЕИДАЛЬНАЯ

РЕЗЬБА ТРУБНАЯ ЦИЛИНДРИЧЕСКАЯ

РЕЗЬБА УПОРНАЯ

Резьба усиленная метрическая тугой посадкой сталь сталь система вала настоящая норма распространяется на резьбу усиленную метрическую тугой посадкой для сопрягаемых материалов сталь в сталь. Нормаль 122МТ53 взамен нормали 122МТ51

Резьба усиленная метрическая тугой посадкой сталь сталь система вала настоящая норма распространяется на резьбу усиленную метрическую тугой посадкой для сопрягаемых материалов сталь в сталь. Нормаль 122МТ53 взамен нормали 122МТ51

Резьбовые соединения. Резьба метрическая с натягом по посадкам 2Н5Д и 2Н5С Отраслевой стандарт ОСТ 1 04065–92

Оформите заказ или получите консультацию